Артикул:
KLFC028
Характеристики
Наружный диаметр D, мм
—
40
Серия
—
KLFC
Высота корпуса H1, мм
—
6,5
Все характеристики
1 524 руб.
/шт Нет в наличии
Под заказ
Наши менеджеры обязательно свяжутся с вами и уточнят условия заказа
Заказать счет
Счет
Запросить консультацию по подбору
Консультация
Проверим совместимость, подберем аналог, уточним срок
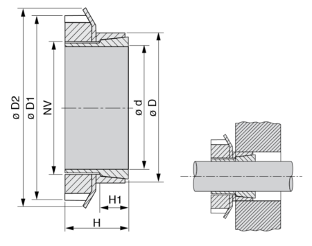
Зажимная втулка KLFC028 (PHF FX80-28x40) обеспечивает быстрый монтаж и демонтаж на вал электродвигателя различных элементов трансмиссии: кулачковых муфт, звездочек, клиновых и зубчатых шкивов. Благодаря конструкции равномерно распределяет нагрузку на вал и исключает биение между валом и приводимой в движение частью. Это увеличивает срок эксплуатации узла. Подходят для применения в агрегатах с высоким крутящим моментом. Материал – сталь.
Технические характеристики
Серия
KLFC
Материал
сталь C 45 E
Внутренний диаметр d, мм
28
Наружный диаметр D, мм
40
Высота корпуса H1, мм
6,5
Общая ширина H, мм
18
Крутящий момент затяжки винтов Tv, Nm
340
Давление зажимной втулки на ступицу Pm, N/мм2
174
Давление зажимной втулки на вал Pa, N/мм2
248
Передача осевой силы Та, KN
15
Передаваемый крутящий момент Mt, Nm
215
Винт NV
М35х1,5
Общие характеристики
Производитель
TECHNIX
Службы доставки в ПВЗ:
- СДЭК
- Boxberry
- Яндекс Доставка
- DPD
Службы доставки курьером:
- Собственная служба доставки
- СДЭК
- Достависта
О самовывозе со склада
Вы можете самостоятельно забрать заказ в Санкт-Петербурге по адресу:
📍 Люботинский проспект, 5

