Артикул:
KLFF048
Характеристики
Наружный диаметр D, мм
—
60
Серия
—
KLFF
Высота корпуса H1, мм
—
30
Все характеристики
2 952 руб.
/шт Нет в наличии
Под заказ
Наши менеджеры обязательно свяжутся с вами и уточнят условия заказа
Заказать счет
Счет
Запросить консультацию по подбору
Консультация
Проверим совместимость, подберем аналог, уточним срок
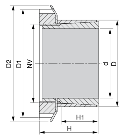
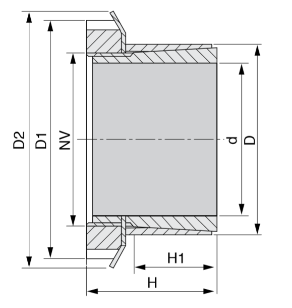
Зажимная втулка KLFF048 (PHF FX90-48x60) обеспечивает быстрый монтаж и демонтаж на вал электродвигателя различных элементов трансмиссии: кулачковых муфт, звездочек, клиновых и зубчатых шкивов. Благодаря конструкции равномерно распределяет нагрузку на вал и исключает биение между валом и приводимой в движение частью. Это увеличивает срок эксплуатации узла. Подходят для применения в агрегатах с высоким крутящим моментом. Материал – сталь.
Технические характеристики
Серия
KLFF
Материал
сталь C 45 E
Внутренний диаметр d, мм
48
Наружный диаметр D, мм
60
Высота корпуса H1, мм
30
Общая ширина H, мм
46
Крутящий момент затяжки винтов Tv, Nm
970
Давление зажимной втулки на ступицу Pm, N/мм2
50
Давление зажимной втулки на вал Pa, N/мм2
60
Передача осевой силы Та, KN
35
Передаваемый крутящий момент Mt, Nm
840
Общие характеристики
Производитель
TECHNIX
Службы доставки в ПВЗ:
- СДЭК
- Boxberry
- Яндекс Доставка
- DPD
Службы доставки курьером:
- Собственная служба доставки
- СДЭК
- Достависта
О самовывозе со склада
Вы можете самостоятельно забрать заказ в Санкт-Петербурге по адресу:
📍 Люботинский проспект, 5

