Артикул:
KLPP185
Характеристики
Наружный диаметр D, мм
—
330
Серия
—
KLPP
Высота корпуса H1, мм
—
86,0
Все характеристики
96 468 руб.
/шт Нет в наличии
Под заказ
Наши менеджеры обязательно свяжутся с вами и уточнят условия заказа
Заказать счет
Счет
Запросить консультацию по подбору
Консультация
Проверим совместимость, подберем аналог, уточним срок
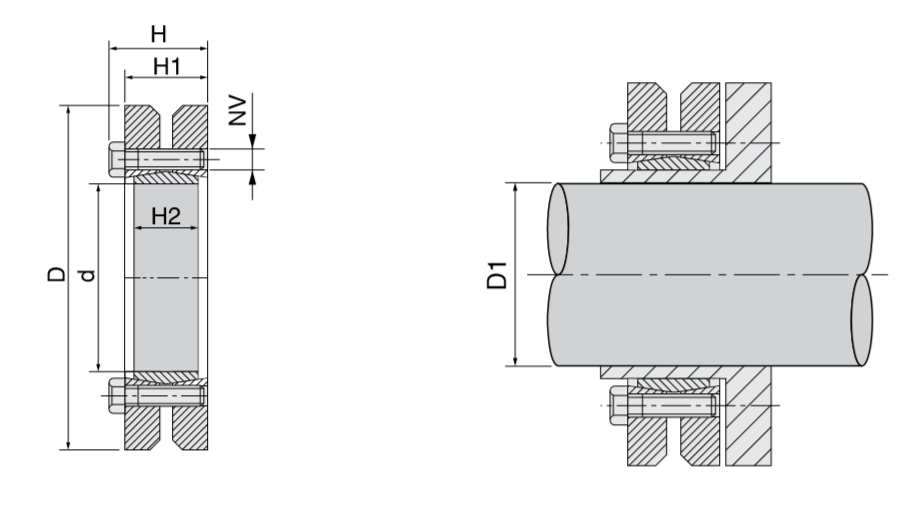
Зажимная втулка KLPP185 (PHF FX190-185x330) обеспечивает быстрый монтаж и демонтаж на вал электродвигателя различных элементов трансмиссии: кулачковых муфт, звездочек, клиновых и зубчатых шкивов. Благодаря конструкции равномерно распределяет нагрузку на вал и исключает биение между валом и приводимой в движение частью. Это увеличивает срок эксплуатации узла. Подходят для применения в агрегатах с высоким крутящим моментом. Материал – сталь.
Технические характеристики
Серия
KLPP
Материал
сталь C 45 E
Внутренний диаметр d, мм
185
Наружный диаметр D, мм
330
Высота корпуса H1, мм
86,0
Высота ступицы H2, мм
71
Общая ширина H, мм
96,0
Крутящий момент затяжки винтов Tv, Nm
250
Давление зажимной втулки на вал Pa, N/мм2
240
Передача осевой силы Та, KN
963,0
1018,0
1069,0
Передаваемый крутящий момент Mt, Nm
65000
71250
77500
Винт NV
М16х65
Общие характеристики
Производитель
TECHNIX
Службы доставки в ПВЗ:
- СДЭК
- Boxberry
- Яндекс Доставка
- DPD
Службы доставки курьером:
- Собственная служба доставки
- СДЭК
- Достависта
О самовывозе со склада
Вы можете самостоятельно забрать заказ в Санкт-Петербурге по адресу:
📍 Люботинский проспект, 5

