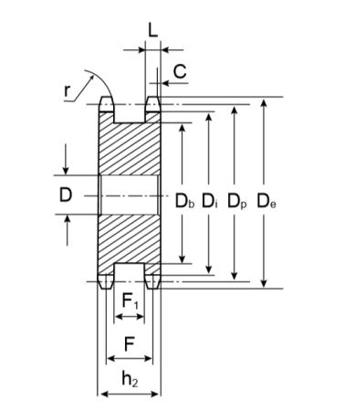
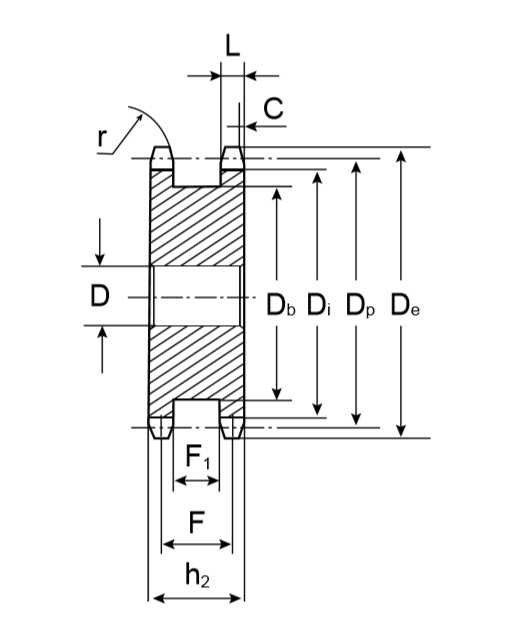
Звездочка двойная для однорядных цепей DS10021 (PHS 10B-1DSA21) выполнена из стали C45 и обладает точной геометрией и надежностью, поэтому долго прослужит даже в сложных эксплуатационных условиях. Двойные звездочки отличаются равномерным износом зубьев, что сохраняет плавность цепного хода и производственную мощность. Применяется в составе цепных передач для дорожных машин, подъемно-транспортного оборудования, бурового оборудования, техники сельскохозяйственного назначения, а также в различных производственных станках, основывающих свою работу на соответствующих механических принципах.
Службы доставки в ПВЗ:
- СДЭК
- Boxberry
- Яндекс Доставка
- DPD
Службы доставки курьером:
- Собственная служба доставки
- СДЭК
- Достависта
О самовывозе со склада
Вы можете самостоятельно забрать заказ в Санкт-Петербурге по адресу:
📍 Люботинский проспект, 5

