Квадратные подшипниковые узлы от АО «Техникс»: компактность и надежность для специфичных монтажных положений
Нужно надежное крепление подшипника в условиях ограниченного пространства или на плоских поверхностях? АО «Техникс» предлагает специализированные подшипниковые узлы квадратные – оптимальное решение для нестандартных конструкций, крепления к профилям, рамам или там, где круглый корпус не подходит.
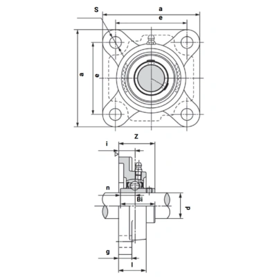
Подшипниковый узел квадратный отличается характерной формой корпуса. Часто это литой чугунный или стальной корпус с квадратным фланцем для монтажа, внутри которого установлен подшипник (обычно шариковый) и эффективные уплотнения. Такая конструкция обеспечивает:
- Прочное и стабильное крепление: плоские поверхности фланца и корпуса обеспечивают максимальную площадь контакта с монтажной поверхностью, предотвращая проворот.
- Компактность: квадратная форма часто позволяет более рационально использовать доступное пространство по сравнению с круглыми узлами.
- Удобство монтажа: четыре монтажных отверстия по углам фланца (или корпуса) упрощают позиционирование и крепление болтами.
- Надежную защиту: как и другие узлы АО «Техникс», квадратные узлы оснащены качественными уплотнениями (лабиринтными, контактными) для защиты от пыли, грязи и влаги. Многие поставляются предварительно смазанными.
- Универсальность: применяются в различных механизмах: конвейерных системах с нестандартными направляющими, сельхозтехнике, упаковочном оборудовании, станках.
Почему АО «Техникс» – ваш надежный поставщик квадратных подшипниковых узлов?
- Широкий ассортимент: различные размеры, типы подшипников, варианты уплотнений под конкретные условия эксплуатации.
- Конкурентные цены: оптимальное соотношение надежности и стоимости.
- Гибкие условия поставок: предлагаем выгодные условия для оптовых закупок. Купить товары оптом квадратные подшипниковые узлы у производителя – значит получить значительную экономию без потери качества.
- Стабильность: собственные склады и отлаженная логистика обеспечивают своевременную отгрузку.
- Экспертиза: поможем подобрать оптимальный подшипниковый узел квадратный для вашей задачи.
Ищете, где подшипниковый узел квадратный купить по выгодной цене? Планируете закупку товары оптом для серийного производства или крупного проекта?
АО «Техникс» – ваш проверенный партнер и выгодный поставщик!
- Для оптовых покупателей: специальные цены, индивидуальные условия.
- Для розничных покупателей и небольших партий: широкая дилерская сеть или возможность заказа напрямую.
Выбирая квадратные подшипниковые узлы от АО «Техникс», вы выбираете:
- Надежное решение для сложных монтажных задач.
- Снижение затрат на обслуживание благодаря долговечности.
- Оптимизацию конструкции оборудования за счет компактности.
Свяжитесь с нашим отделом продаж сегодня, чтобы получить техническую консультацию, актуальный прайс-лист на подшипниковые узлы с квадратным фланцем и выгодное предложение на товары оптом. Обеспечьте надежную работу вашего оборудования с квадратными узлами от АО «Техникс»!

