TECHNIX (Техникс)
ПРОИЗВОДИТЕЛЬ
ПРОМЫШЛЕННЫХ
КОМПЛЕКТУЮЩИХ
Режим работы:
ПН-ПТ 8:00-17:00
Каталог
Системы линейного перемещения
Каретки
Гофрозащита для рельсовых направляющих
Картриджи
Уплотнения и скребки
Направляющие
Линейные подшипники
Линейные подшипники в сборе с корпусом
Линейные подшипники
Валы
Валы с опорой
Валы
Опоры
Трапецеидальные гайки и винты
Винты трапецеидальные
Гайки трапецеидальные
ШВП
Винты ШВП
Гайки ШВП
Держатели для гаек
Опоры ШВП
Зубчатые рейки
Зубчатые колеса
Зубчатые колеса без ступицы
Зубчатые колеса со ступицей
Зубчатые колеса со ступицей с калеными зубьями
Звездочки
Двойные звездочки для однорядных цепей
Звездочки без ступицы под расточку
Звездочки под втулку тапербуш
Звездочки с калеными зубьями со ступицей
Звездочки со ступицей под расточку
Звездочки специального стандарта
Чугунные звездочки под втулку тапербуш
Чугунные звездочки под расточку
Звездочки-натяжители цепи
Шкивы
Шкивы зубчатые под втулку тапербуш
Шкивы клиновые под втулку тапербуш
Шкивы клиновые под расточку
Шкивы зубчатые под расточку
Подшипники
Подшипниковые узлы
Корпусные подшипники
Разъемные корпуса
Крышки
Уплотнения
Упорные кольца
Разъемные корпуса
Шариковые подшипники
Шарнирные наконечники
Закрепительные втулки
Шариковые опоры
Роликовые подшипники
Втулки скольжения
Втулки скольжения с бронзовым покрытием
Втулки скольжения с бронзово-графитовым покрытием
Втулки скольжения спеченые бронзовые
Опорные ролики
Опорно-поворотные устройства (ОПУ)
ОПУ стандартные
ОПУ фланцевые
ОПУ с червячным приводом
Высокотемпературные подшипники
Низкотемпературные подшипники
Подшипники скольжения
Подшипники из нержавеющей стали
Соединительные муфты
Виброгасящие муфты
Жесткие муфты
Сильфонные муфты
Спиральные муфты
Втулки
Втулки тапербуш
Зажимные втулки
Элементы соединения
Камлоки
Смазки
Ступицы AGRO RIDER
Ступицы для дисковых борон
Ступицы для посевной техники
Подшипниковые узлы AGRO RIDER
Подшипниковые узлы в корпусе из серого чугуна
Подшипниковые узлы в резиновом корпусе
Подшипниковые узлы в стальном корпусе
Узлы в корпусе из высокопрочного чугуна
Партнёрам
О компании
Партнерская программа
Найти Дистрибьютора
Отраслевые решения
Каталоги
О покупке
Статьи
Каталоги PDF
Общая информация
Контакты
Реквизиты
Пользовательское соглашение
Новости
Статьи
Применение продукции
Помощь
Реквизиты
Новости
Задать вопрос
+7 (812) 490-76-68
Заказать звонок
Задать вопрос
Войти
  • Корзина0
  • Избранные товары0
Ваш город
Санкт-Петербург
zakaz@technix-rus.ru
196105, г. Санкт-Петербург, Люботинский проспект, д. 5
  • Вконтакте
  • Telegram
  • Яндекс.Дзен
Ваш город
Санкт-Петербург
  • 🗲 Акции
  • Реквизиты
  • Контакты
  • База знаний
  • Калькуляторы
  • Оплата и доставка
  • Каталоги PDF
  • Мехобработка
  • ...
    • Яндекс.Дзен
    +7 (812) 490-76-68
    zakaz@technix-rus.ru
    Заказать звонок
    Войти
    TECHNIX (Техникс)
    Каталог
    Системы линейного перемещения
    Трапецеидальные гайки и винты
    ШВП
    Зубчатые рейки
    Зубчатые колеса
    Звездочки
    Шкивы
    Подшипники
    Соединительные муфты
    Втулки
    Элементы соединения
    Смазки
    Ступицы AGRO RIDER
    Подшипниковые узлы AGRO RIDER
      • Каретки
        Каретки
        • Гофрозащита для рельсовых направляющих
        • Картриджи
        • Уплотнения и скребки
      • Направляющие
        Направляющие
      • Линейные подшипники
        Линейные подшипники
        • Линейные подшипники в сборе с корпусом
        • Линейные подшипники
      • Валы
        Валы
        • Валы с опорой
        • Валы
      • Опоры
        Опоры
      • Винты трапецеидальные
        Винты трапецеидальные
      • Гайки трапецеидальные
        Гайки трапецеидальные
      • Винты ШВП
        Винты ШВП
      • Гайки ШВП
        Гайки ШВП
      • Держатели для гаек
        Держатели для гаек
      • Опоры ШВП
        Опоры ШВП
      • Зубчатые колеса без ступицы
        Зубчатые колеса без ступицы
      • Зубчатые колеса со ступицей
        Зубчатые колеса со ступицей
      • Зубчатые колеса со ступицей с калеными зубьями
        Зубчатые колеса со ступицей с калеными зубьями
      • Двойные звездочки для однорядных цепей
        Двойные звездочки для однорядных цепей
      • Звездочки без ступицы под расточку
        Звездочки без ступицы под расточку
      • Звездочки под втулку тапербуш
        Звездочки под втулку тапербуш
      • Звездочки с калеными зубьями со ступицей
        Звездочки с калеными зубьями со ступицей
      • Звездочки со ступицей под расточку
        Звездочки со ступицей под расточку
      • Звездочки специального стандарта
        Звездочки специального стандарта
      • Чугунные звездочки под втулку тапербуш
        Чугунные звездочки под втулку тапербуш
      • Чугунные звездочки под расточку
        Чугунные звездочки под расточку
      • Звездочки-натяжители цепи
        Звездочки-натяжители цепи
      • Шкивы зубчатые под втулку тапербуш
        Шкивы зубчатые под втулку тапербуш
      • Шкивы клиновые под втулку тапербуш
        Шкивы клиновые под втулку тапербуш
      • Шкивы клиновые под расточку
        Шкивы клиновые под расточку
      • Шкивы зубчатые под расточку
        Шкивы зубчатые под расточку
      • Подшипниковые узлы
        Подшипниковые узлы
      • Корпусные подшипники
        Корпусные подшипники
      • Разъемные корпуса
        Разъемные корпуса
        • Крышки
        • Уплотнения
        • Упорные кольца
        • Разъемные корпуса
      • Шариковые подшипники
        Шариковые подшипники
      • Шарнирные наконечники
        Шарнирные наконечники
      • Закрепительные втулки
        Закрепительные втулки
      • Шариковые опоры
        Шариковые опоры
      • Роликовые подшипники
        Роликовые подшипники
      • Втулки скольжения
        Втулки скольжения
        • Втулки скольжения с бронзовым покрытием
        • Втулки скольжения с бронзово-графитовым покрытием
        • Втулки скольжения спеченые бронзовые
      • Опорные ролики
        Опорные ролики
      • Опорно-поворотные устройства (ОПУ)
        Опорно-поворотные устройства (ОПУ)
        • ОПУ стандартные
        • ОПУ фланцевые
        • ОПУ с червячным приводом
      • Высокотемпературные подшипники
        Высокотемпературные подшипники
      • Низкотемпературные подшипники
        Низкотемпературные подшипники
      • Подшипники скольжения
        Подшипники скольжения
      • Подшипники из нержавеющей стали
        Подшипники из нержавеющей стали
      • Виброгасящие муфты
        Виброгасящие муфты
      • Жесткие муфты
        Жесткие муфты
      • Сильфонные муфты
        Сильфонные муфты
      • Спиральные муфты
        Спиральные муфты
      • Втулки тапербуш
        Втулки тапербуш
      • Зажимные втулки
        Зажимные втулки
      • Камлоки
        Камлоки
      • Ступицы для дисковых борон
      • Ступицы для посевной техники
        Ступицы для посевной техники
      • Подшипниковые узлы в корпусе из серого чугуна
        Подшипниковые узлы в корпусе из серого чугуна
      • Подшипниковые узлы в резиновом корпусе
      • Подшипниковые узлы в стальном корпусе
        Подшипниковые узлы в стальном корпусе
      • Узлы в корпусе из высокопрочного чугуна
        Узлы в корпусе из высокопрочного чугуна
    Избранные товары 0
    Корзина 0
    TECHNIX (Техникс)
    Ваш город
    Санкт-Петербург
    +7 (812) 490-76-68
    zakaz@technix-rus.ru
    Заказать звонок
    Избранные товары 0 Корзина 0
    TECHNIX (Техникс)
    Избранные товары 0 Корзина 0
    Телефоны
    +7 (812) 490-76-68
    Заказать звонок
    • Каталог
      • Назад
      • Каталог
      • Системы линейного перемещения
        • Назад
        • Системы линейного перемещения
        • Каретки
          • Назад
          • Каретки
          • Гофрозащита для рельсовых направляющих
          • Картриджи
          • Уплотнения и скребки
        • Направляющие
        • Линейные подшипники
          • Назад
          • Линейные подшипники
          • Линейные подшипники в сборе с корпусом
          • Линейные подшипники
        • Валы
          • Назад
          • Валы
          • Валы с опорой
          • Валы
        • Опоры
      • Трапецеидальные гайки и винты
        • Назад
        • Трапецеидальные гайки и винты
        • Винты трапецеидальные
        • Гайки трапецеидальные
      • ШВП
        • Назад
        • ШВП
        • Винты ШВП
        • Гайки ШВП
        • Держатели для гаек
        • Опоры ШВП
      • Зубчатые рейки
      • Зубчатые колеса
        • Назад
        • Зубчатые колеса
        • Зубчатые колеса без ступицы
        • Зубчатые колеса со ступицей
        • Зубчатые колеса со ступицей с калеными зубьями
      • Звездочки
        • Назад
        • Звездочки
        • Двойные звездочки для однорядных цепей
        • Звездочки без ступицы под расточку
        • Звездочки под втулку тапербуш
        • Звездочки с калеными зубьями со ступицей
        • Звездочки со ступицей под расточку
        • Звездочки специального стандарта
        • Чугунные звездочки под втулку тапербуш
        • Чугунные звездочки под расточку
        • Звездочки-натяжители цепи
      • Шкивы
        • Назад
        • Шкивы
        • Шкивы зубчатые под втулку тапербуш
        • Шкивы клиновые под втулку тапербуш
        • Шкивы клиновые под расточку
        • Шкивы зубчатые под расточку
      • Подшипники
        • Назад
        • Подшипники
        • Подшипниковые узлы
        • Корпусные подшипники
        • Разъемные корпуса
          • Назад
          • Разъемные корпуса
          • Крышки
          • Уплотнения
          • Упорные кольца
          • Разъемные корпуса
        • Шариковые подшипники
        • Шарнирные наконечники
        • Закрепительные втулки
        • Шариковые опоры
        • Роликовые подшипники
        • Втулки скольжения
          • Назад
          • Втулки скольжения
          • Втулки скольжения с бронзовым покрытием
          • Втулки скольжения с бронзово-графитовым покрытием
          • Втулки скольжения спеченые бронзовые
        • Опорные ролики
        • Опорно-поворотные устройства (ОПУ)
          • Назад
          • Опорно-поворотные устройства (ОПУ)
          • ОПУ стандартные
          • ОПУ фланцевые
          • ОПУ с червячным приводом
        • Высокотемпературные подшипники
        • Низкотемпературные подшипники
        • Подшипники скольжения
        • Подшипники из нержавеющей стали
      • Соединительные муфты
        • Назад
        • Соединительные муфты
        • Виброгасящие муфты
        • Жесткие муфты
        • Сильфонные муфты
        • Спиральные муфты
      • Втулки
        • Назад
        • Втулки
        • Втулки тапербуш
        • Зажимные втулки
      • Элементы соединения
        • Назад
        • Элементы соединения
        • Камлоки
      • Смазки
      • Ступицы AGRO RIDER
        • Назад
        • Ступицы AGRO RIDER
        • Ступицы для дисковых борон
        • Ступицы для посевной техники
      • Подшипниковые узлы AGRO RIDER
        • Назад
        • Подшипниковые узлы AGRO RIDER
        • Подшипниковые узлы в корпусе из серого чугуна
        • Подшипниковые узлы в резиновом корпусе
        • Подшипниковые узлы в стальном корпусе
        • Узлы в корпусе из высокопрочного чугуна
    • Партнёрам
      • Назад
      • Партнёрам
      • О компании
      • Партнерская программа
      • Найти Дистрибьютора
      • Отраслевые решения
      • Каталоги
    • О покупке
    • Статьи
    • Каталоги PDF
    • Общая информация
      • Назад
      • Общая информация
      • Контакты
      • Реквизиты
      • Пользовательское соглашение
      • Новости
      • Статьи
      • Применение продукции
      • Помощь
    • Реквизиты
    • Новости
    • Задать вопрос
    • Санкт-Петербург
      • Назад
    • Личный кабинет
    • Корзина0
    • Избранные товары0
    • +7 (812) 490-76-68
    Контактная информация
    196105, г. Санкт-Петербург, Люботинский проспект, д. 5
    zakaz@technix-rus.ru
    • Вконтакте
    • Telegram
    • Яндекс.Дзен

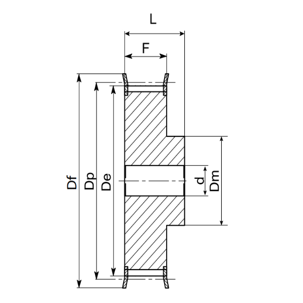
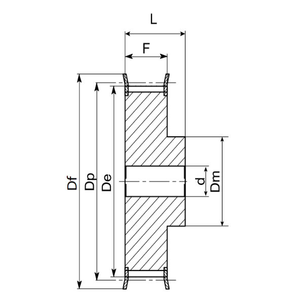
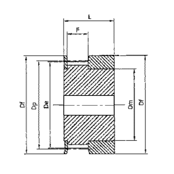
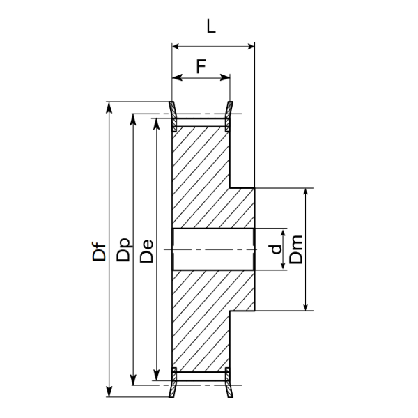
    Шкивы в Санкт-Петербурге

    1350
    Главная
    —
    Каталог
    —Шкивы
    Шкивы зубчатые под втулку тапербуш
    • Шкивы зубчатые под втулку тапербуш 75 товаров
    Шкивы клиновые под втулку тапербуш
    • Шкивы клиновые под втулку тапербуш 370 товаров
    Шкивы клиновые под расточку
    • Шкивы клиновые под расточку 244 товара
    Шкивы зубчатые под расточку
    • Шкивы зубчатые под расточку 661 товар
    Зубчатые рейки для ЧПУ
    Разъемные корпуса 2 для подшипников
    Лабиринтные уплотнения разъёмных корпусов
    Торцевые крышки подшипников
    Зубчатые рейки для ЧПУ
    Разъемные корпуса 2 для подшипников
    Лабиринтные уплотнения разъёмных корпусов
    Торцевые крышки подшипников
    Фильтр
    По умолчанию (убывание)
    Кол-во товаров на странице
    10 20 30 60
    По популярности (убывание)
    По популярности (возрастание)
    По алфавиту (убывание)
    По алфавиту (возрастание)
    По цене (убывание)
    По цене (возрастание)
    По наличию (убывание)
    По наличию (возрастание)
    Наименование
    Аналог Sati
    Цена
    Шкив клиновой SPZ 85 01 TB (PHP 1SPZ85TB) под втулку тапербуш TECHNIX
    Быстрый просмотр
    Шкив клиновой SPZ 85 01 TB (PHP 1SPZ85TB) под втулку тапербуш в Санкт-Петербурге
    Есть в наличии: 33
    Арт.: ZT00851TECHNIX
    ZT00851
    809 руб.
    /шт
    В корзинуВ корзине
    Аналог Sati
    ZT00851
    Шкив зубчатый 34-8M-20 (PHP 34-8M-20RSB) под расточку TECHNIX
    Быстрый просмотр
    Шкив зубчатый 34-8M-20 (PHP 34-8M-20RSB) под расточку в Санкт-Петербурге
    Есть в наличии: 33
    Арт.: 08M2034TECHNIX
    1 269 руб.
    /шт
    В корзинуВ корзине
    Шкив зубчатый 18-3M-06 (PHP 18-3M-06RSB) под расточку TECHNIX
    Быстрый просмотр
    Шкив зубчатый 18-3M-06 (PHP 18-3M-06RSB) под расточку в Санкт-Петербурге
    Есть в наличии: 33
    Арт.: 03M1518TECHNIX
    453 руб.
    /шт
    В корзинуВ корзине
    Шкив клиновой SPZ 71 01 TB (PHP 1SPZ71TB) под втулку тапербуш TECHNIX
    Быстрый просмотр
    Шкив клиновой SPZ 71 01 TB (PHP 1SPZ71TB) под втулку тапербуш в Санкт-Петербурге
    Есть в наличии: 32
    Арт.: ZT00711TECHNIX
    ZT00711
    624 руб.
    /шт
    В корзинуВ корзине
    Аналог Sati
    ZT00711
    Шкив клиновой SPB 300 02 TB (PHP 2SPB300TB) под втулку тапербуш TECHNIX
    Быстрый просмотр
    Шкив клиновой SPB 300 02 TB (PHP 2SPB300TB) под втулку тапербуш в Санкт-Петербурге
    Есть в наличии: 32
    Арт.: BT03002TECHNIX
    BT03002
    8 118 руб.
    /шт
    В корзинуВ корзине
    Аналог Sati
    BT03002
    Шкив клиновой SPB 250 02 TB (PHP 2SPB250TB) под втулку тапербуш TECHNIX
    Быстрый просмотр
    Шкив клиновой SPB 250 02 TB (PHP 2SPB250TB) под втулку тапербуш в Санкт-Петербурге
    Есть в наличии: 32
    Арт.: BT02502TECHNIX
    BT02502
    5 948 руб.
    /шт
    В корзинуВ корзине
    Аналог Sati
    BT02502
    Шкив зубчатый 32-3M-15 (PHP 32-3M-15RSB) под расточку TECHNIX
    Быстрый просмотр
    Шкив зубчатый 32-3M-15 (PHP 32-3M-15RSB) под расточку в Санкт-Петербурге
    Есть в наличии: 32
    Арт.: 03M1532TECHNIX
    502 руб.
    /шт
    В корзинуВ корзине
    Шкив клиновой SPB 224 03 TB (PHP 3SPB224TB) под втулку тапербуш TECHNIX
    Быстрый просмотр
    Шкив клиновой SPB 224 03 TB (PHP 3SPB224TB) под втулку тапербуш в Санкт-Петербурге
    Есть в наличии: 31
    Арт.: BT02243TECHNIX
    BT02243
    6 841 руб.
    /шт
    В корзинуВ корзине
    Аналог Sati
    BT02243
    Шкив клиновой SPA 95 01 TB (PHP 1SPA95TB) под втулку тапербуш TECHNIX
    Быстрый просмотр
    Шкив клиновой SPA 95 01 TB (PHP 1SPA95TB) под втулку тапербуш в Санкт-Петербурге
    Есть в наличии: 30
    Арт.: AT00951TECHNIX
    AT00951
    803 руб.
    /шт
    В корзинуВ корзине
    Аналог Sati
    AT00951
    Шкив зубчатый 72-5M-09 (PHP 72-5M-09RSB) под расточку TECHNIX
    Быстрый просмотр
    Шкив зубчатый 72-5M-09 (PHP 72-5M-09RSB) под расточку в Санкт-Петербурге
    Есть в наличии: 30
    Арт.: 05M0972TECHNIX
    3 018 руб.
    /шт
    В корзинуВ корзине
    Шкив зубчатый 14-3M-15 (PHP 14-3M-15RSB) под расточку TECHNIX
    Быстрый просмотр
    Шкив зубчатый 14-3M-15 (PHP 14-3M-15RSB) под расточку в Санкт-Петербурге
    Есть в наличии: 30
    Арт.: 03M1514TECHNIX
    446 руб.
    /шт
    В корзинуВ корзине
    Шкив клиновой SPZ 95 02 TB (PHP 2SPZ95TB) под втулку тапербуш TECHNIX
    Быстрый просмотр
    Шкив клиновой SPZ 95 02 TB (PHP 2SPZ95TB) под втулку тапербуш в Санкт-Петербурге
    Есть в наличии: 29
    Арт.: ZT00952TECHNIX
    ZT00952
    1 126 руб.
    /шт
    В корзинуВ корзине
    Аналог Sati
    ZT00952
    Шкив клиновой SPA 71 02 TB (PHP 2SPA71TB) под втулку тапербуш TECHNIX
    Быстрый просмотр
    Шкив клиновой SPA 71 02 TB (PHP 2SPA71TB) под втулку тапербуш в Санкт-Петербурге
    Есть в наличии: 29
    Арт.: AT00712TECHNIX
    AT00712
    1 030 руб.
    /шт
    В корзинуВ корзине
    Аналог Sati
    AT00712
    Шкив зубчатый 16-5M-09 (PHP 16-5M-09RSB) под расточку TECHNIX
    Быстрый просмотр
    Шкив зубчатый 16-5M-09 (PHP 16-5M-09RSB) под расточку в Санкт-Петербурге
    Есть в наличии: 29
    Арт.: 05M0916TECHNIX
    221 руб.
    /шт
    В корзинуВ корзине
    Шкив клиновой SPB 160 04 TB (PHP 4SPB160TB) под втулку тапербуш TECHNIX
    Быстрый просмотр
    Шкив клиновой SPB 160 04 TB (PHP 4SPB160TB) под втулку тапербуш в Санкт-Петербурге
    Есть в наличии: 28
    Арт.: BT01604TECHNIX
    BT01604
    4 572 руб.
    /шт
    В корзинуВ корзине
    Аналог Sati
    BT01604
    Шкив клиновой SPZ 63 1 (PHP 1SPZ63RSB) под расточку TECHNIX
    Быстрый просмотр
    Шкив клиновой SPZ 63 1 (PHP 1SPZ63RSB) под расточку в Санкт-Петербурге
    Есть в наличии: 28
    Арт.: ZM00631TECHNIX
    ZM00631
    624 руб.
    /шт
    В корзинуВ корзине
    Аналог Sati
    ZM00631
    Шкив зубчатый 27T5/32-2 (PHP 27T5/32-2RSB) под расточку профиль ремня T TECHNIX
    Быстрый просмотр
    Шкив зубчатый 27T5/32-2 (PHP 27T5/32-2RSB) под расточку профиль ремня в Санкт-Петербурге
    Есть в наличии: 28
    Арт.: 27T5032TECHNIX
    797 руб.
    /шт
    В корзинуВ корзине
    Шкив зубчатый 16T2,5/16-2 (PHP 16T2,5/16-2RSB) под расточку профиль ремня T TECHNIX
    Быстрый просмотр
    Шкив зубчатый 16T2,5/16-2 (PHP 16T2,5/16-2RSB) под расточку профиль ремня в Санкт-Петербурге
    Есть в наличии: 28
    Арт.: 16T2016TECHNIX
    444 руб.
    /шт
    В корзинуВ корзине
    Шкив клиновой SPB 150 01 TB (PHP 1SPB150TB) под втулку тапербуш TECHNIX
    Быстрый просмотр
    Шкив клиновой SPB 150 01 TB (PHP 1SPB150TB) под втулку тапербуш в Санкт-Петербурге
    Есть в наличии: 27
    Арт.: BT01501TECHNIX
    BT01501
    2 249 руб.
    /шт
    В корзинуВ корзине
    Аналог Sati
    BT01501
    Шкив клиновой SPA 112 01 TB (PHP 1SPA112TB) под втулку тапербуш TECHNIX
    Быстрый просмотр
    Шкив клиновой SPA 112 01 TB (PHP 1SPA112TB) под втулку тапербуш в Санкт-Петербурге
    Есть в наличии: 27
    Арт.: AT01121TECHNIX
    AT01121
    1 081 руб.
    /шт
    В корзинуВ корзине
    Аналог Sati
    AT01121
    Показать еще
    1 ... 7 8 9 10 11 ... 68
    Каталог
    • Системы линейного перемещения Системы линейного перемещения
      • Каретки Каретки
        • Гофрозащита для рельсовых направляющих
        • Картриджи
        • Уплотнения и скребки
      • Направляющие Направляющие
      • Линейные подшипники Линейные подшипники
        • Линейные подшипники в сборе с корпусом
        • Линейные подшипники
      • Валы Валы
        • Валы с опорой
        • Валы
      • Опоры Опоры
    • Трапецеидальные гайки и винты Трапецеидальные гайки и винты
      • Винты трапецеидальные Винты трапецеидальные
      • Гайки трапецеидальные Гайки трапецеидальные
    • ШВП ШВП
      • Винты ШВП Винты ШВП
      • Гайки ШВП Гайки ШВП
      • Держатели для гаек Держатели для гаек
      • Опоры ШВП Опоры ШВП
    • Зубчатые рейки Зубчатые рейки
    • Зубчатые колеса Зубчатые колеса
      • Зубчатые колеса без ступицы Зубчатые колеса без ступицы
      • Зубчатые колеса со ступицей Зубчатые колеса со ступицей
      • Зубчатые колеса со ступицей с калеными зубьями Зубчатые колеса со ступицей с калеными зубьями
    • Звездочки Звездочки
      • Двойные звездочки для однорядных цепей Двойные звездочки для однорядных цепей
      • Звездочки без ступицы под расточку Звездочки без ступицы под расточку
      • Звездочки под втулку тапербуш Звездочки под втулку тапербуш
      • Звездочки с калеными зубьями со ступицей Звездочки с калеными зубьями со ступицей
      • Звездочки со ступицей под расточку Звездочки со ступицей под расточку
      • Звездочки специального стандарта Звездочки специального стандарта
      • Чугунные звездочки под втулку тапербуш Чугунные звездочки под втулку тапербуш
      • Чугунные звездочки под расточку Чугунные звездочки под расточку
      • Звездочки-натяжители цепи Звездочки-натяжители цепи
    • Шкивы Шкивы
      • Шкивы зубчатые под втулку тапербуш Шкивы зубчатые под втулку тапербуш
      • Шкивы клиновые под втулку тапербуш Шкивы клиновые под втулку тапербуш
      • Шкивы клиновые под расточку Шкивы клиновые под расточку
      • Шкивы зубчатые под расточку Шкивы зубчатые под расточку
    • Подшипники Подшипники
      • Подшипниковые узлы Подшипниковые узлы
      • Корпусные подшипники Корпусные подшипники
      • Разъемные корпуса Разъемные корпуса
        • Крышки
        • Уплотнения
        • Упорные кольца
        • Разъемные корпуса
      • Шариковые подшипники Шариковые подшипники
      • Шарнирные наконечники Шарнирные наконечники
      • Закрепительные втулки Закрепительные втулки
      • Шариковые опоры Шариковые опоры
      • Роликовые подшипники Роликовые подшипники
      • Втулки скольжения Втулки скольжения
        • Втулки скольжения с бронзовым покрытием
        • Втулки скольжения с бронзово-графитовым покрытием
        • Втулки скольжения спеченые бронзовые
      • Опорные ролики Опорные ролики
      • Опорно-поворотные устройства (ОПУ) Опорно-поворотные устройства (ОПУ)
        • ОПУ стандартные
        • ОПУ фланцевые
        • ОПУ с червячным приводом
      • Высокотемпературные подшипники Высокотемпературные подшипники
      • Низкотемпературные подшипники Низкотемпературные подшипники
      • Подшипники скольжения Подшипники скольжения
      • Подшипники из нержавеющей стали Подшипники из нержавеющей стали
    • Соединительные муфты Соединительные муфты
      • Виброгасящие муфты Виброгасящие муфты
      • Жесткие муфты Жесткие муфты
      • Сильфонные муфты Сильфонные муфты
      • Спиральные муфты Спиральные муфты
    • Втулки Втулки
      • Втулки тапербуш Втулки тапербуш
      • Зажимные втулки Зажимные втулки
    • Элементы соединения Элементы соединения
      • Камлоки Камлоки
    • Смазки Смазки
    • Ступицы AGRO RIDER Ступицы AGRO RIDER
      • Ступицы для дисковых борон
      • Ступицы для посевной техники Ступицы для посевной техники
    • Подшипниковые узлы AGRO RIDER Подшипниковые узлы AGRO RIDER
      • Подшипниковые узлы в корпусе из серого чугуна Подшипниковые узлы в корпусе из серого чугуна
      • Подшипниковые узлы в резиновом корпусе
      • Подшипниковые узлы в стальном корпусе Подшипниковые узлы в стальном корпусе
      • Узлы в корпусе из высокопрочного чугуна Узлы в корпусе из высокопрочного чугуна
    • Подборки
      • Аналоги
        • Каретки hiwin (аналог)
        • Направляющие hiwin (аналог)
        • ШВП hiwin (аналог)
        • Линейные подшипники hiwin (аналог)
      • Цилиндрические направляющие
        • Цилиндрические валы
        • Цилиндрические линейные подшипники
        • Линейные направляющие оси
        • Валы для станков
        • Валы для ЧПУ
        • Валы для сверлильного станка
        • Валы для строгального станка
        • Валы на балансировочный станок
        • Валы на фуговальный станок
        • Валы для токарного станка
        • Валы для точильного станка
        • Валы для фрезерного станка
        • Валы прецизионные цилиндрические
      • Шарниры
        • Шарнирные соединения
        • Шарнирные головки
        • Сферические шарниры
        • Головки с внутренней резьбой
      • Направляющие ШВП
        • ШВП для ремонта станков
        • ШВП для фрезерных станков
        • ШВП для токарных станков
        • Опора ходового винта
        • Плавающие опоры валов
        • Опорные блоки для ходовых винтов
        • ШВП ось Z
        • ШВП оси Х
        • ШВП оси Y
        • Шариковые винты
      • Механика для 3д принтера
        • Направляющие для 3d принтера
        • Ходовые винты для 3д принтера
        • Каретки для 3д принтера
        • Подшипники для 3д принтера
      • Трапециевидные винтовые соединения
        • Ходовые винты
        • Винты для подъемника
        • Трапецеидальные валы
        • Болты трапецеидальные
        • Шпильки трапецеидальные
        • Для токарных станков
        • Бронзовые гайки ходового винта
        • Ходовые винты для тисков
        • Ходовые винты токарные
        • Винт ходовой с гайкой для тисков
        • Ходовые винты с гайкой
        • Гайки ходового винта для тисков
        • Ходовые винты для станков
        • Гайки для ходовых винтов
      • Подшипниковые блоки
        • Подшипниковые опоры
        • Подшипниковые узлы 205
        • Подшипниковые узлы 206
        • Подшипниковые узлы 207
        • Подшипниковые узлы 210
        • Подшипниковые узлы 209
        • Подшипниковые узлы 214
        • Подшипниковые узлы с фланцем
        • Подшипниковые узлы на лапах
        • Натяжные подшипниковые узлы
        • Стационарные подшипниковые узлы
        • Подшипниковые узлы UC
        • Подшипниковые узлы 208
        • Подшипниковые опоры UCP
        • Подшипники в оправе
        • Подшипниковые узлы разъемные
        • Подшипниковые узлы закрытые
        • Подшипниковые узлы конические
        • Подшипниковые узлы корпусные
        • Подшипниковые узлы вертикальных валов
        • Подшипниковые узлы конвейерные
        • Подшипниковые узлы квадратные
        • Подшипниковые узлы с овальным фланцем
        • Подшипниковые узлы редуктора
        • Подшипниковые узлы шариковые радиальные
        • Подшипниковые узлы радиальные
        • Упорные кольца внутренние
        • Подшипниковые узлы с осью
        • Осевые подшипниковые узлы
        • Линейная ось
        • Букса подшипника
      • Реечная передача
        • Рейки зубчатые прямозубые
        • Рейки шестеренчатые
      • Рельсовые направляющие валы
        • Линейные направляющие круглые
      • Направляющие подшипники
        • Линейные подшипники для ЧПУ
        • Линейные направляющие с подшипником
        • Линейные подшипники качения
        • Линейные подшипники скольжения
      • Рельсовые направляющие
        • Шариковые линейные направляющие
        • Цилиндрические рельсы
        • Направляющие промышленные
        • Профильные линейные направляющие
        • Линейные направляющие для ЧПУ
        • Рельсовые направляющие для станков
        • Линейные рельсовые направляющие
        • Направляющие для кареток
        • Линейные направляющие оси z
      • Подставки для вала
        • Крепления вала
        • Держатели вала
      • Гайки ходовые
        • Трапецеидальные гайки TR
      • Двухрядные подшипники
        • Двухрядные роликовые подшипники
      • Подшипник самоустанавливающийся двухрядный
        • Сферические подшипники
      • Шарикоподшипники качения
        • Однорядные шариковые подшипники
      • Линейные каретки
        • Линейные шариковые каретки
        • Узлы линейного перемещения
        • Линейные направляющие с каретками
        • Линейные подшипники роликовые
        • Опорные модули
      • 3D-печать 3D-печать
      • Металлургия Металлургия
      • Машиностроение и станкостроение Машиностроение и станкостроение
      • Деревообрабатывающая промышленность Деревообрабатывающая промышленность
        • Комплектующие к циркулярным пилам
      • Строительное оборудование Строительное оборудование
      • Робототехника Робототехника
    Фильтр
    Розничная цена
    0
    18 075
    36 150
    54 225
    72 300
    Наружный диаметр D, мм
    Показать все
    Тип
    Серия
    Показать все
    Тип шкива
    Показать все
    Типоразмер реборды
    Показать все
    Количество зубьев
    Показать все
    Ширина общая L, мм
    Показать все
    Ширина ремня, мм
    Показать все
    Реборда
    Материал
    Количество ручьев
    Показать все
    Выбрано 0 Показать
    Выбрано 0 Показать
    Будьте в курсе наших акций и новостей
    Подписаться
    Заказать звонок
    Задать вопрос
    Оставить отзыв
    Будьте в курсе наших предложений и новостей
    МЕНЮ
    О компании
    Каталоги
    Партнерская программа
    Найти дистрибьютора
    Оплата и доставка
    Гарантия и возврат
    База знаний
    Новости
    Проекты
    Реквизиты
    Контакты
    Карта сайта
    Вопрос - ответ
    Вакансии
    Соглашение на обработку персональных данных
    Специальная оценка условий труда (СОУТ)
    Продукция
    Системы линейного перемещения
    Трапецеидальные гайки и винты
    ШВП
    Зубчатые рейки
    Зубчатые колеса
    Звездочки
    Шкивы
    Подшипники
    Соединительные муфты
    Втулки
    Элементы соединения
    Смазки
    Ступицы AGRO RIDER
    Подшипниковые узлы AGRO RIDER
    ОТРАСЛЕВЫЕ РЕШЕНИЯ
    Легкая промышленность
    Деревообрабатывающая и целлюлозно-бумажная промышленность
    Горнодобывающая промышленность и производство стройматериалов
    Сельское хозяйство
    Пищевая промышленность
    Машиностроение и металлообработка
    +7 (812) 490-76-68
    Заказать звонок
    zakaz@technix-rus.ru
    196105, г. Санкт-Петербург, Люботинский проспект, д. 5
    • Вконтакте
    • Telegram
    • Яндекс.Дзен
    2026 © TECHNIX JSC (АО "Техникс")

    Вся информация, предоставленная на сайте связанная с описанием технических параметров, наличием и ценой продукции - предназначена исключительно для ознакомления и не являются официальным предложением о заключении договора в соответствии с пунктом 2 статьи 437 Гражданского кодекса Российской Федерации. Чтобы получить более подробную информацию о товарах, их стоимости и условиях доставки, пожалуйста, свяжитесь с нами через форму обратной связи или по указанным контактным данным.