Шестерня со ступицей является одним из элементов передачи зубчатого типа, осуществляющих одновременную парную работу (входящим в сцепление) с другим зубчатым колесом или зубчатого приводного ремня. С помощью таких устройств осуществляется перенаправление механической энергии, возникающей между двигателями. Она, в свою очередь, преобразовывается и передаётся на механизмы, приводящие в действие оборудование или машины.
В отличие от иных типов передач, представленная обладает рядом преимуществ, благодаря которым специалисты рекомендуют купить именно такое устройство.
- несмотря на меньшие габариты, шестерни со ступицей способны выдерживать значительные нагрузки;
- высокий уровень КПД (до 0,99);
- кинематическая точность;
- передаточное число имеет постоянно высокие показатели значения (может достигать нескольких сот);
- могут применяться в широком диапазоне мощностных и скоростных режимов;
- высокая точность в процессе изготовления;
- надёжны в любых условиях эксплуатации и отличаются длительным сроком эксплуатации.
Используется зубчатое колесо довольно активно в различных сферах деятельности. Они незаменимы в машино- и судостроении, пищевой, горной промышленности, устанавливаются на подъёмные краны, автомобильные дифференциалы, буровые установки, используются для строительства железнодорожных вагонов, необходимы для шестерённых гидромашин-насосов, устанавливаются в коробки передач, на лебёдки и пр.
Особенности конструкции шестерни со ступицей
Изготавливается зубчатое колесо из углеродистой и легированной стали – прочный и долговечный материал, устойчивый к коррозии, экстренным температурным режимам, агрессивной среде. Чтобы уменьшить опасность повреждения поверхности зубьев, на этапе производства выполняется процесс термообработки. Это позволяет добиться высокой прочности поверхностного слоя, а также высокого сопротивления к его истиранию, прочности при изгибе.
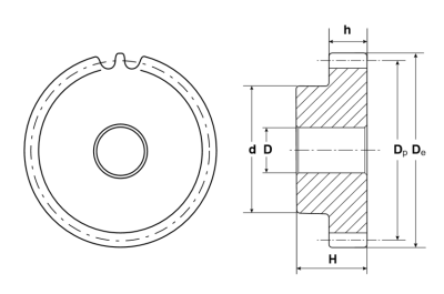
Несмотря на внешнюю простоту шестерни, конструкция устройства состоит из нескольких частей. Главным конструктивным элементом шестерёнки является диск соответствующего диаметра, а в качестве основной части выступает обод, торцевая и боковая поверхность которого имеет зубья, а они все вместе и образуют венец зубчатого колеса. В зависимости от типов передачи геометрия зубьев может отличаться. Чтобы закрепить устройство на валу механизма, изготавливается ступица, имеющая сквозное квадратное, многоугольное или цилиндрическое отверстие. Она размещается в центре диска. Для цилиндрических валов в ступице изготавливается шпонный паз. Толщина ступицы и обода меньше толщины диска, это необходимо для уменьшения веса устройства.
Где и как купить?
Предлагаем приобрести зубчатые колеса со ступицей от компании производителя промышленных комплектующих - Техникс. В каталоге нашего интернет-магазина представлен широкий ассортимент деталей разных диаметров. Вся продукция изготовлена в соответствии с ГОСТами и стандартами качества ISO. Для того, чтобы сделать выбор, важно знать точные технические параметры: внешний диаметр вала, ширину зубчатого венца, ширину ступицы, количество зубьев и прочие.
Заказать изделия можно на сайте, выбрав в каталоге нужную модель. Товар можно оплатить банковской картой или наличными при доставке.
Доставка по Санкт-Петербургу, Ленинградской области и другим регионам РФ. Самовывоз в Санкт-Петербурге по адресу Люботинский проспект, д.5.
