Арт.: CT10015
1 961 руб.
/шт Звездочки без ступицы под расточку представляют собой устройства для сцепления приводных звеньев цепи. Применяются в цепных передачах в промышленном, дорожном, строительном и сельхозоборудовании, в тихоходных скоростных редукторах.
Для каждой отрасли и механизма подбираются конкретные типы и диаметры соответственно размерам цепи. От качества детали зависит долговечность всего механизма.
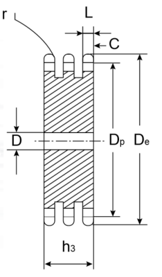
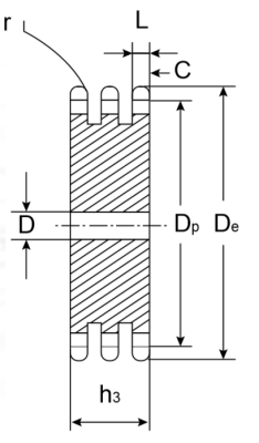
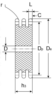
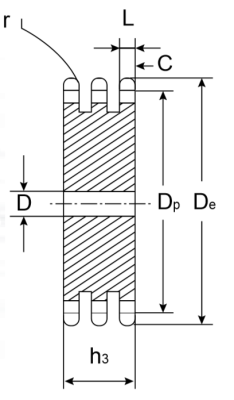
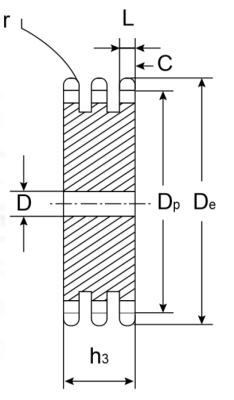
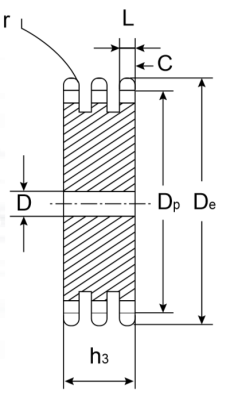
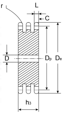
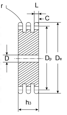
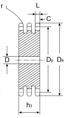
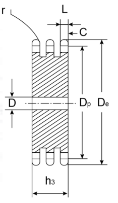
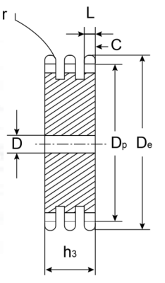
Звездочки под расточку без ступицы состоят из профилированных плоских колес с зубьями по краям. Детали могут быть однорядными, двухрядными и трехрядными, а число зубьев - от 8 до 114 штук.
Выполняются из высококачественной стали, поэтому прочные и надежные в использовании. Диски для звездочек изготавливают методом штамповки.
Зубья цепи, прочно соединяясь со звездочками, обеспечивают эффективность работы приводного механизма. Детали прикрепляются шпонками и втулками, их можно расточить под необходимый диаметр.
Отсутствие ступицы в данной модели позволяет экономить на металле, что значительно снижает себестоимость детали. В числе других преимуществ:
Благодаря упрощенной конструкции устройства надежны и способны служить максимально долго - до 25 лет.
Предлагаем приобрести звездочки без ступицы от компании производителя промышленных комплектующих - Техникс. В каталоге нашего интернет-магазина представлен широкий ассортимент деталей разных диаметров. Вся продукция изготовлена в соответствии с ГОСТами и стандартами качества ISO. Для того, чтобы сделать выбор, важно знать точные технические параметры: диаметр, ширину зуба, количество рядов и прочие.
Особой популярностью пользуются звездочки для однорядных цепей, под расточку, под втулки тапербуш. Они выполнены из стали С45, надежны и качественны.
Чтобы получить консультацию и сделать заказ, свяжитесь с нашими специалистами.
Также заказать изделия можно на сайте, выбрав в каталоге нужную модель. Товар можно оплатить банковской картой или наличными при доставке.
Доставка по Санкт-Петербургу, Ленинградской области и другим регионам РФ. Самовывоз в Санкт-Петербурге по адресу Люботинский проспект, д.5.
Системы линейного перемещения
Трапецеидальные гайки и винты
ШВП
Зубчатые рейки
Подшипники
Подшипниковые узлы
Корпусные подшипники
Разъемные корпуса
Шариковые подшипники
Шарнирные наконечники
Закрепительные втулки
Шариковые опоры
Роликовые подшипники
Втулки скольжения
Опорные ролики
Опорно-поворотные устройства (ОПУ)
Высокотемпературные подшипники
Низкотемпературные подшипники
Подшипники скольжения
Подшипники из нержавеющей стали
Соединительные муфты
Смазки
Звездочки
Двойные звездочки для однорядных цепей
Звездочки без ступицы под расточку
Звездочки под втулку тапербуш
Звездочки с калеными зубьями со ступицей
Звездочки со ступицей под расточку
Звездочки специального стандарта
Чугунные звездочки под втулку тапербуш
Чугунные звездочки под расточку
Звездочки-натяжители цепи
Втулки
Зубчатые колеса
Шкивы
Подшипники ГОСТ
Ступицы AGRO RIDER
Подшипниковые узлы AGRO RIDER
Элементы соединения
3D-печать
Металлургия
Машиностроение и станкостроение
Деревообрабатывающая промышленность
Строительное оборудование
Робототехника