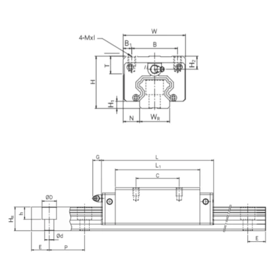
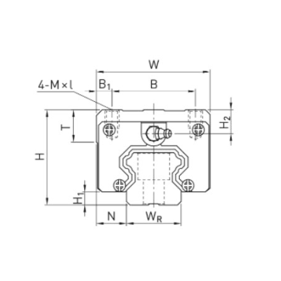
Незаменимым элементом автоматических устройств, станков ЧПУ, транспортного и упаковочного оборудования остаются каретки HG, их используют как комплектующие промышленной техники разных типов. К особенностям устройств относят возможность самоустановки, они самостоятельно выравнивают направление при движении, малочувствительны к погрешностям монтажа. Сменный элемент легко обновить в случае износа и повреждения, для перенастройки рабочих задач техники.
Эксплуатационные преимущества
Профильные каретки для рельсовых направляющих HG отличаются высокой жесткостью, что обеспечивает не только долговечность и износостойкость элемента, но и равномерное распределение нагрузки. Среди конструктивных особенностей серии HG четырехточечный контакт шариков, благодаря которому линейное перемещение по рельсу проходит плавно, без потери скорости и грузоподъемности. Среди прочих преимуществ кареток HG стоит отметить:
- сниженный коэффициент трения;
- высокую точность;
- устойчивость к коррозии;
- длительный срок службы;
- простоту замены и установки;
- универсальность.
Благодаря бесфланцевой конструкции устройство легко монтировать на узкую поверхность, оно позволяет экономить пространство, отличается малым весом. Устойчивость к негативным факторам окружающей среды и трению дает возможность применять систему в десятках производственных и промышленных сфер, не опасаясь преждевременной поломки блока и аварийных ситуаций. Подшипники обеспечивают плавное перемещение, конструкция надежна, ее обслуживание не предполагает высоких расходов.
Что учесть при выборе?
Для комплектации оборудования следует выбирать рельсовые каретки HG, прошедшие контроль качества и сертификацию. Только в этом случае можно быть уверенным в том, что они соответствуют заявленным характеристикам и требованиям по эксплуатации.
У нас вы можете купить модели с четырехрядной конструкцией, для каждого элемента в каталоге указана цена и технические характеристики. Выбирая лучшие комплектующие для оборудования, вы не только продлеваете срок его эксплуатации, но и повышаете производительность!




