Есть в наличии: 29
Арт.: SFU5010TECHNIX
13 445 руб.
/шт Арт.: DFU5010TECHNIX
34 143 руб.
/шт
12 февраля 2025
Шарико-винтовые передачи (ШВП) — это высокоточные механизмы, преобразующие вращательное движение в линейное с минимальными потерями на трение. Они широко применяются в станках с ЧПУ, робототехнике, медицинском оборудовании и других системах, где критична точность и долговечность. В этой статье мы разберем основные этапы расчета ШВП и поделимся советами по выбору оптимальной конструкции.
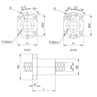
Гайка ШВП 5010 — высокоточный элемент шарико-винтовой пары, обеспечивающий преобразование вращательного движения в поступательное. Диаметр резьбы составляет 50 мм, шаг — 10 мм.
Изготовлена из высокопрочной стали с защитным покрытием для устойчивости к износу и коррозии
Внутренняя прецизионная резьба гарантирует минимальный люфт и плавность хода
Увеличенный шаг (10 мм) обеспечивает быстрое перемещение при сохранении точности
Высокая грузоподъемность и надежность благодаря увеличенному диаметру
Долгий срок службы при регулярной смазке и правильной эксплуатации
Подходит для работы под экстремальными нагрузками
Используется в тяжелом промышленном оборудовании, станках с ЧПУ, автоматизированных системах и механизмах, где важны скорость, точность и способность выдерживать значительные нагрузки.
Чтобы купить гайку ШВП 5010, свяжитесь с нашими менеджерами для уточнения деталей заказа.
Вопросы и ответы
Какие гайки ШВП подходят для станков ЧПУ?
Для большинства станков рекомендуются элементы класса C7.
Нужна ли регулярная смазка?
Да, обслуживание существенно продлевает срок службы.
Чем отличаются серии SFU и DFU?
SFU – стандартные одиночные гайки, DFU – сдвоенные решения для снижения люфта, повышения жесткости.
Можно ли подобрать винтовую пару ШВП по чертежу?
Да, специалисты подбирают комплектующие по технической документации.

